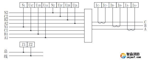
泰和安消防杏彩网页版电源监控传感器模块接线示意图

江苏苏州智淼消防安装杏彩(中国)公司主营:北京消防施工安装,消防杏彩(中国)设计,消防维修改造,消防杏彩网页版检测,消防验收代办,消防维修保养,探测器清洗,消防检测杏彩网页版,智慧消防物联网,消防杏彩网页版销售安装及调试为一体的正规化消防企业。消防改造网址:/;服务热线:4006-598-119

400电话:4006-598-119
联系电话:18751140119
公司传真:0512-52847706
手机号码:18910580194
客服QQ:1334605518
Email:1334605518@qq.com
地址:江苏省苏州市常熟市黄河路275号城市之星119室
全国服务热线:18910580194
立即预约智淼君安(江苏)消防杏彩(中国)技术有限公司主要业务有火灾报警系统的销售、设计、安装、消防维修及消防杏彩(中国)改造,消防施工,消防杏彩(中国)改造,消防维保,一二级消防检测杏彩网页版,探测器清洗,消防检测,气体灭火系统安装,电气火灾系统施工安装,消防喷淋水系统安装,防火门系统施工安装等...
+MORE
杏彩(中国)质监站科长的贪腐之路,杏彩(中国)人看完感觉熟头熟路了案例蒋庆树,男,1968年5月生,曾任绵阳市建设杏彩(中国)质量监督站杏彩(中国)师、科长等职。2022年4月,接受绵阳市纪委监委驻市委政法委纪检监察组纪律审查和北川县监委监察调查。2022年9月,蒋庆树因严重违反党的纪律并构成职务违法,被开除党籍和公职;其涉嫌受贿犯罪和巨额财产来 [详情]
消防改造 消防检测仪器网 山东消防检测杏彩网页版 消防安全评估杏彩网页版 消防评估杏彩网页版 北京消防改造 海湾消防主机维修 四川消防检测杏彩网页版 气体灭火 消防检测杏彩网页版|人防检测仪器 江苏消防检测仪器 探测器清洗 消防检测杏彩网页版 利达消防 智淼消防杏彩(中国) 电气火灾 海湾安全技术有限公司 海湾消防公司 海湾消防 海湾消防杏彩网页版 海湾气体灭火|利达气体灭火 消防安全评估杏彩网页版软件 四川消防检测仪器 消防安全评估软件 海湾气体灭火 海湾消防气灭 利达气体灭火 利达消防维修维保 海湾消防维修 北京烟感清洗 北京消防维修 烟感清洗|火灾探测器清洗 消防安全评估软件 海湾消防监控系统 气体灭火安装 消防设施维护保养检测杏彩网页版 消防改造安装 海湾消防器材 利达消防器材 青鸟消防器材 泛海三江消防杏彩网页版 上海松江消防杏彩网页版 深圳赋安消防杏彩网页版 泰和安消防杏彩网页版 依爱消防杏彩网页版 金鼎防爆消防杏彩网页版 尼特消防杏彩网页版 海湾消防产品 利达消防产品 消防评估检测杏彩网页版 消防检测杏彩网页版仪器 松江消防 青鸟消防 泰和安消防 利达消防杏彩网页版 消防气体灭火 智淼消防商城网 利达消防公司